插装阀
-
液压原理图型号描述插孔流量压力
-
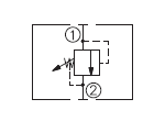
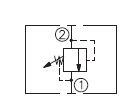
直动式溢流阀
08-2
22.7lpm
250Bar
-
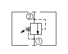
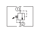
直动式溢流阀
10-2
37.8lpm
207Bar
-
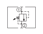
直动式溢流阀( 先导级)
08-2
3lpm
450Bar
-
直动式溢流阀( 先导级)
SUN T-10A
1.6lpm
350Bar
-
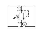
差动式溢流阀
08-2
30.2lpm
250Bar
-
差动式溢流阀
08-2
30.2lpm
250Bar
-
差动式溢流阀
10-2
113.6lpm
207Bar
-
差动式溢流阀
10-2
76lpm
350Bar
-
液压原理图型号描述插孔流量压力








