展开全部
收起全部
-
技术特性
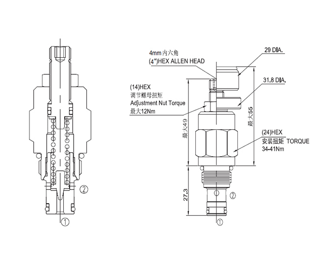
工作:
当①口压力达到阀设定值,阀开始通过②口向油箱溢流。②口压力将直接作用于阀设
定上。此阀尤其适合先导或热溢流的应用。
-
技术曲线

-
技术参数
流量请查看《压力-流量曲线图》插孔08-2过滤参考《油液清洁度》最大工作压力①口最大工作压力(Max. Operating Pressure Port①): 450bar
②口最大工作压力(Max. Operating Pressure Port②): 140bar内泄漏15 drops/min(滴/分) max.弹簧调压范围35-350bar;
300-450bar;温度-40°F to +250°F(-40°C to +120°C)油液Mineral-based fluids with viscosities of 7.4 to 420 cSt.(矿物油粘度)阀块材料钢和球铁允许使用最大压力350bar -
文件下载
PDF文件 -
相关辅件












