插装阀
-
液压原理图型号描述插孔流量压力
-
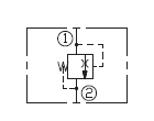
直动式补油溢流阀
Rexroth-869
30lpm
210Bar
-
直动式补油溢流阀
Rexroth-730
60lpm
380Bar
-
直动式补油溢流阀
Rexroth-870
90lpm
400Bar
-
热油溢流阀
04-B2
1.0lpm
410Bar
-
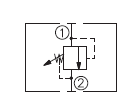
直动式溢流阀
08-2
10lpm
250Bar
-
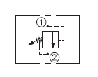
直动式溢流阀
08-2
30lpm
350Bar
-
直动式溢流阀
SUN T-10A
95lpm
350Bar
-
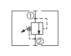
直动式溢流阀
08-2
22.7lpm
250Bar
-
液压原理图型号描述插孔流量压力








