展开全部
收起全部
-
技术特性
工作:
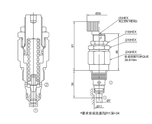
当在①口的压力超过调压弹簧设定的压力时,阀芯打开, ①到②通, 防止系统过压。
-
技术曲线

-
技术参数
工作压力350Bar流量请查看《压力-流量曲线图》插孔08-2过滤参考《油液清洁度》内泄漏5 drops/min(滴/分). max. to 80% of nominal setting闭合压力80% of crack pressure开启压力 (crack pressure at 0.95 lpm /0.25 gpm)弹簧调压范围20 to 125 bar; preset预设定: 69 bar
40 to 180 bar; preset预设定:138 bar
50 to 240 bar; preset预设定:172 bar
180 to 350 bar; preset预设定:207 bar温度-40°F to +250°F(-40°C to +120°C)油液Mineral-based fluids with viscosities of 7.4 to 420 cSt.(矿物油粘度)阀块材料钢和球铁允许使用最大压力350bar
-
文件下载
PDF文件 -
相关辅件












