插装阀
-
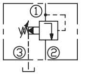
液压原理图型号描述插孔流量压力
-
带反向单向阀、外泄口型先导座阀式溢流阀
联系工厂
400lpm
420Bar
-
先导溢流阀( 带反向单向阀功能)
10-2
100lpm
350Bar
-
带反向单向阀功能、先导座阀式溢流阀
16-2
240lpm
350Bar
-
反向补油型,先导座阀式溢流阀
10M-2
100lpm
350Bar
-
带先导外控,先导座阀式溢流阀
20K2
250lpm
350Bar
-
先导座阀式溢流阀
22K2
250lpm
350Bar
-
工程机械用,过载补油溢流阀
10S1-2
40lpm
350Bar
-
工程机械用,主溢流阀
10S2-2
70lpm
350Bar
-
液压原理图型号描述插孔流量压力








