展开全部
收起全部
-
技术特性
工作:
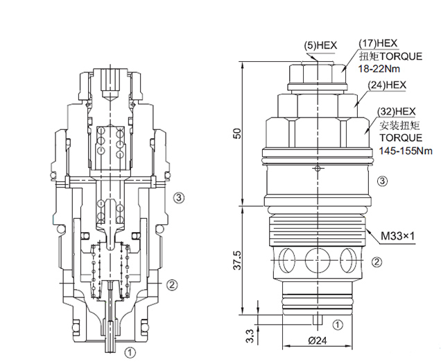
阀体①口和②口不通,直到①口压力超过设定压力且打开先导阀芯。这样,先导阀芯
引起主阀芯两端压力差的变化,压力差达到一定时,①口和②口互通,当②口的压力
比①口压力高出2.0bar 以上时,②到①打开,油液从②流向①,补油功能通常在系统
中液压油不足时进行补充。
油口③的压力直接1:1 加于阀的设定值上,并且不能超过420bar。
-
技术曲线

-
技术参数
流量请查看《压力-流量曲线图》插孔联系工厂过滤参考《油液清洁度》最大工作压力420Bar最大流量400L/min内泄漏10 drops/min(滴/分). max. to 80% of nominal setting温度-40°F to +250°F(-40°C to +120°C)油液Mineral-based fluids with viscosities of 7.4 to 420 cSt.(矿物油粘度)阀块材料钢和球铁允许使用最大压力350bar -
文件下载
PDF文件 -
相关辅件












