插装阀
-
液压原理图型号描述插孔流量压力
-
流量控制阀, 压力补偿型
08-2
2~20lpm
240Bar
-
流量控制阀, 压力补偿型
10-2
3~26lpm
240Bar
-
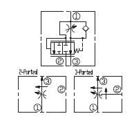
流量控制阀,压力补偿型( 弹簧可调节)
10-3
1.9~22.7lpm
207Bar
-
流量控制阀, 压力补偿型
10-2
0.8~34lpm
350Bar
-
流量控制阀,压力补偿型
10-2
0.4~11.5lpm
350Bar
-
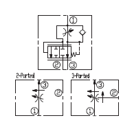
流量控制阀,压力补偿型( 节流孔可调节)
10-3
2~45lpm
420Bar
-
流量控制阀,压力补偿型( 节流孔可调节)
10-3
0~13lpm
240Bar
-
流量阀
14S
90.8lpm
207Bar
-
液压原理图型号描述插孔流量压力








