展开全部
收起全部
-
技术特性
工作:
失电时,此阀截止油液双向流动;
得电时,②到①,①到②互通。
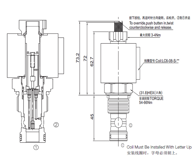
手控应急:
请按下按钮,再逆时针方向旋转180°,后松开,②到①,①到②互通;请按下按钮,
再顺时针方向旋转180°,后松开,返回常态。
-
技术曲线

-
技术参数
流量请查看《压力-流量曲线图》插孔12-2过滤参考《油液清洁度》最大工作压力350Bar内泄漏5drops/min.(滴/分) max. at 350 bar温度-40°F to +212°F(-40°C to +100°C)线圈额定负载Continuous from 85% to 115% of nominal voltage(连续工作电压)油液Mineral-based fluids with viscosities of 7.4 to 420 cSt.(矿物油粘度)阀块材料钢和球铁允许使用最大压力350bar
-
文件下载
PDF文件 -
相关辅件












