展开全部
收起全部
-
技术特性
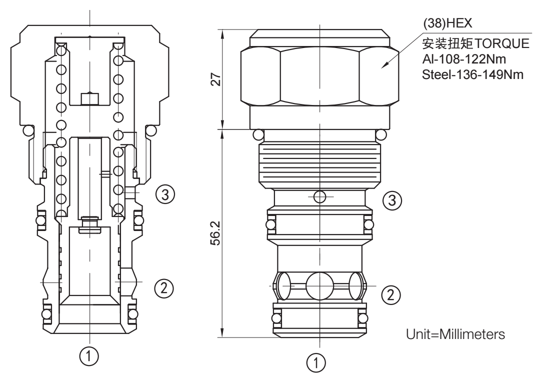
当①口的油压克服弹簧设定压力时,油液从①口到②口流动,③口的压力叠加到了弹
簧设置上。应用在开关或者补偿场合。
-
技术曲线

-
技术参数
工作压力290bar流量请查看《压力-流量曲线图》插孔16-S3过滤参考《油液清洁度》内泄漏82ml/min. max. at 290 bar温度-40ºF to +250ºF (-40 ºC to +120 ºC)油液Mineral-based fluids with viscosities of 7.4 to 420 cSt.(矿物油粘度)阀块材料钢和球铁允许使用最大压力350Bar -
文件下载
PDF文件 -
相关辅件











