展开全部
收起全部
-
技术特性
工作:
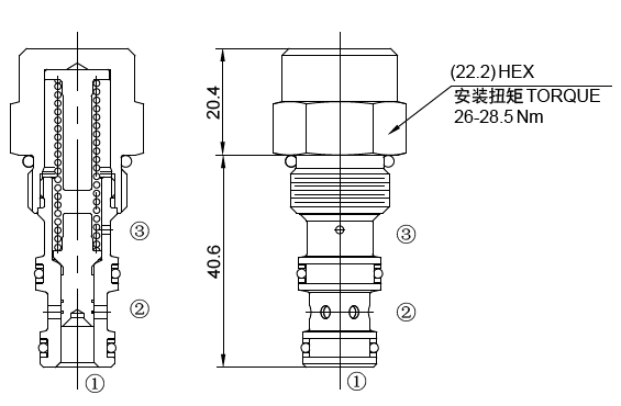
当①口的油压克服弹簧设定压力时,油液从①口到②口流动。③口压力叠加到弹设定
值上。应用在开关或者补偿场合。
-
技术曲线

-
技术参数
工作压力345bar流量请查看《压力-流量曲线图》插孔08-3过滤参考《油液清洁度》内泄漏115 ml/min. max. at 345 bar温度-40ºF to +250ºF(-40ºC to +120ºC)油液Mineral-based fluids with viscosities of 7.4 to 420 cSt.(矿物油粘度)阀块材料钢和球铁允许使用最大压力350bar -
文件下载
PDF文件 -
相关辅件











