展开全部
收起全部
-
技术特性
工作:
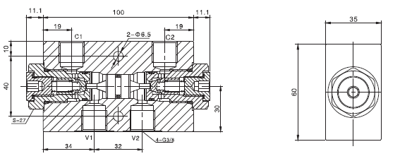
C1 到V1,C2 到V2 关闭. 在相反方向,V1 到C1, V2 到C2 打开。控制比为7:1, 所以在V1 口或V2 口的压力超过C1 口或
C2 口的负载压力的1/7 时, C1 到V1 或C2 到V2 打开。
-
技术曲线

-
技术参数
流量请查看《压力-流量曲线图》过滤参考《油液清洁度》最大工作压力350Bar单向阀开启压力8=8bar; 4.5=4.5bar; 3=3bar内泄漏2 drops/min(滴/分). max. at 350 bar控制比7:1温度-40°F to +250°F(-40°C to +120°C)油液Mineral-based fluids with viscosities of 7.4 to 420 cSt.(矿物油粘度)阀块材料钢和球铁允许使用最大压力350bar -
文件下载
PDF文件 -
相关辅件












