展开全部
收起全部
-
技术特性
工作:
补油阀补充因泄漏或溢流阀的作用而损失的油液。补油阀的开启压力为0.7bar, 所以
②口压力必须高于大气压。
-
技术曲线

-
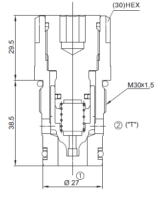
技术参数
工作压力420bar流量200l/min.插孔Rexroth-LG过滤参考《油液清洁度》内泄漏2 drops/min(滴/分). max. at 350bar温度-40°F to +250°F(-40°C to +120°C)油液Mineral-based fluids with viscosities of 7.4 to 420 cSt.(矿物油粘度)阀块材料钢和球铁允许使用最大压力350bar -
文件下载
PDF文件 -
相关辅件











