展开全部
收起全部
-
技术特性
工作:
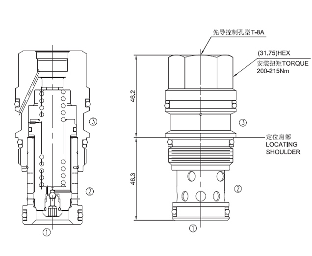
此阀为非平衡,外控开启,二通逻辑开关单元且带集成先导级控制插孔。此阀在弹簧
偏置下处于关闭状态且用①口或 ②口作为先导源。当安装在T-8A 插孔中的先导级二
通阀处于关闭状态,逻辑单元会保持关闭状态。当先导级二通阀开启,只要有足够的
组合压力(①口与②口)克服弹簧力,逻辑阀将开启。③口产生的作用力加上弹簧力
必须比①口和②口产生的作用力之和大,阀才能保持关闭状态。注意:先导面积(③口)
是①口作用面积的1.8 倍且为②口作用面积的2.25 倍。
-
技术曲线

-
技术参数
流量请查看《压力-流量曲线图》插孔SUN T-17A过滤参考《油液清洁度》最大工作压力350Bar温度-40°F to +250°F(-40°C to +120°C)油液Mineral-based fluids with viscosities of 7.4 to 420 cSt.(矿物油粘度)阀块材料钢和球铁允许使用最大压力350Bar -
文件下载
PDF文件 -
相关辅件












