展开全部
收起全部
-
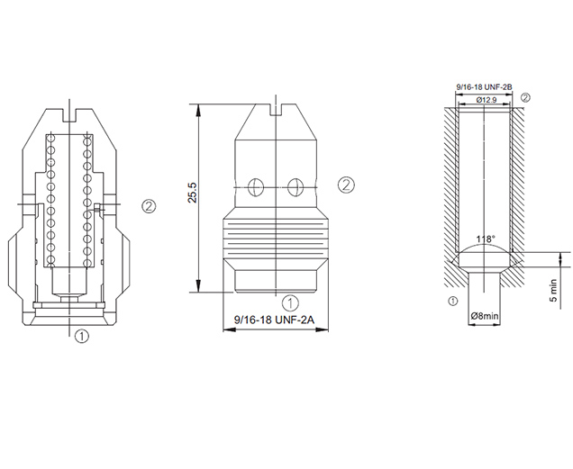
技术特性
工作:
不管在②口的负载如何变化,②口的流量都能保持在一定的范围内。固定节流孔大小
根据客户流量要求而定。
反方向流动②到①,没有压力补偿。
-
技术曲线

-
技术参数
工作压力210Bar流量请查看《压力-流量曲线图》插孔见产品详情页过滤参考《油液清洁度》流量设定1 l/min. min., 10 l/min. max.流量控制精度Nominal flow ±15%温度-40°F to +250°F(-40°C to +120°C)油液Mineral-based fluids with viscosities of 7.4 to 420 cSt.(矿物油粘度)阀块材料6061-T6铝,允许使用最大压力207bar 钢和球铁允许使用最大压力350bar -
文件下载
PDF文件 -
相关辅件












