展开全部
收起全部
-
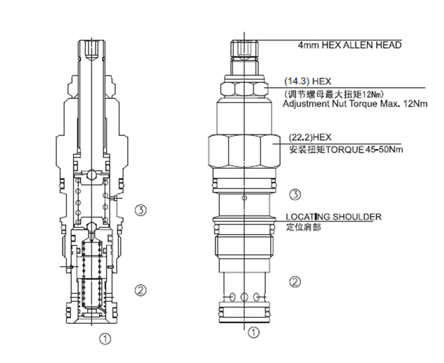
技术特性
工作:
一旦进油口( 油口① ) 的压力超过阀设定值,切断型顺序阀将会开启,并保持开启的状
态,从而实现油口①到油口②自由流通。油口①的设定压力与外泄口( 油口③ ) 压力有
关。当油口①的压力超过油口②,阀门将一直处于开启状态。仅在油口① 的压力低于
阀的设定压力基础上,油口①到油口②无油液流动,或者油口②的压力大于等于油口
①的压力,此阀才能复位。
特性:
不应该在有保压要求工况中使用;
主油孔通过一个150 微米的不锈钢过滤器来保护;
油口③的压力按1:1 叠加到阀的设定值上,且不应该超过5000 psi;
由于阀的复位要求无油液流动,因此主要适合用于驱动机构端。如果用在液压泵端,
阀复位时必须关闭泵。
-
技术曲线

-
技术参数
流量请查看《压力-流量曲线图》插孔SUN T-11A过滤参考《油液清洁度》最大工作压力350Bar内泄漏33 cc/min.@70bar温度-40°F to +250°F(-40°C to +120°C)油液Mineral-based fluids with viscosities of 7.4 to 420 cSt.(矿物油粘度)阀块材料钢和球铁允许使用最大压力350bar
-
文件下载
PDF文件 -
相关辅件












