展开全部
收起全部
-
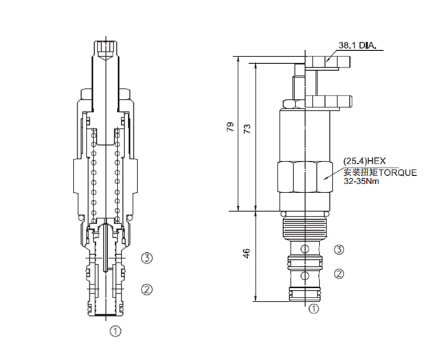
技术特性
工作:
在稳定状态, ③口与②口不通;在①口达到预设定值时,③到②打开。因弹簧腔的液
压油与②口通,所以②口的背压将1 : 1 地叠加到阀的设定上。
-
技术曲线

-
技术参数
工作压力207Bar流量请查看《压力-流量曲线图》插孔10-3内泄漏82 cc/min. max. to 90% of nominal setting弹簧调压范围5.5-27.6 bar, preset预设定:13.8bar
13.8-55.2 bar, preset预设定:27.6bar
20.7- 103 bar, preset预设定:51.5bar
28- 145 bar, preset预设定:72.5bar温度-40°F to +250°F(-40°C to +120°C)油液Mineral-based fluids with viscosities of 7.4 to 420 cSt.(矿物油粘度)阀块材料6061-T6铝,允许使用最大压力207bar 钢和球铁允许使用最大压力350bar -
文件下载
PDF文件 -
相关辅件











