展开全部
收起全部
-
技术特性
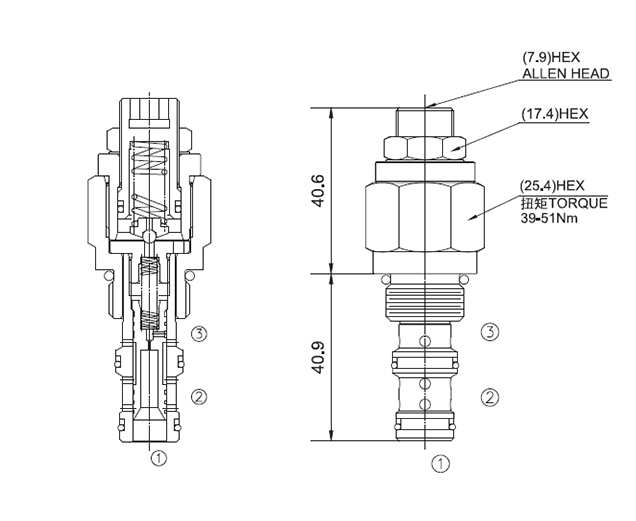
工作:
常闭型顺序阀, ①到②口关闭。当①口压力升高超过弹簧设定值时,①到②口打开,
同时②到③口关闭。
-
技术曲线

-
技术参数
工作压力345Bar流量请查看《压力-流量曲线图》插孔08-3内泄漏82 cc/min. max. to 85% of nominal setting弹簧调压范围3.5-103.5 bar, preset预设定: 31bar
3.5-206.9 bar, preset预设定:65.5bar
3.5-344.8 bar, preset预设定: 103bar温度-40°F to +250°F(-40°C to +120°C)油液Mineral-based fluids with viscosities of 7.4 to 420 cSt.(矿物油粘度)阀块材料钢和球铁允许使用最大压力350bar -
文件下载
PDF文件 -
相关辅件












