展开全部
收起全部
-
技术特性
工作:
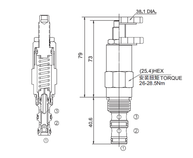
在稳定状态,①口与② 口不通,② 到③通;在①口达到预设定的压力时,①到②打开。
-
技术曲线

-
技术参数
工作压力240bar流量请查看《压力-流量曲线图》插孔08-3过滤参考《油液清洁度》内泄漏82 cc/min. max. to 85% of nominal setting弹簧调压范围3.4- 20.7 bar, preset预设定:10 bar
6.9- 41.4 bar, preset预设定:21 bar
10.3- 89.7 bar, preset预设定:45 bar
31.0-165.5 bar, preset预设定:83 bar温度-40°F to +250°F(-40°C to +120°C)油液Mineral-based fluids with viscosities of 7.4 to 420 cSt.(矿物油粘度)阀块材料6061-T6铝,允许使用最大压力207bar 钢和球铁允许使用最大压力350bar -
文件下载
PDF文件 -
相关辅件












