展开全部
收起全部
-
技术特性
工作:
先导式减压阀将②口初始高压减到①口, ①口可得到稳定不变的压力值,满足单泵回
路提供多级工作压力要求。
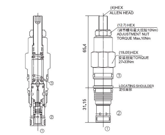
油口③的压力按1:1 叠加到阀的设定值上,且油口3 的压力不应超过315 bar。所有弹
簧最小设定是5bar。
-
技术曲线

-
技术参数
流量请查看《压力-流量曲线图》插孔SUN T-163A最大工作压力350Bar内泄漏参考《油液清洁度》弹簧调压范围A: 5-210 bar, preset预设定:14bar
B: 5-105 bar, preset预设定:14bar
N: 5- 55 bar, preset预设定:14bar
Q: 5- 28 bar, preset预设定:14bar
W: 5-315 bar, preset预设定:60bar温度-40°F to +250°F(-40°C to +120°C)
过滤(Filtration): See page (参见) N-1油液Mineral-based fluids with viscosities of 7.4 to 420 cSt.(矿物油粘度)阀块材料钢和球铁允许使用最大压力350bar -
文件下载
PDF文件 -
相关辅件












