展开全部
收起全部
-
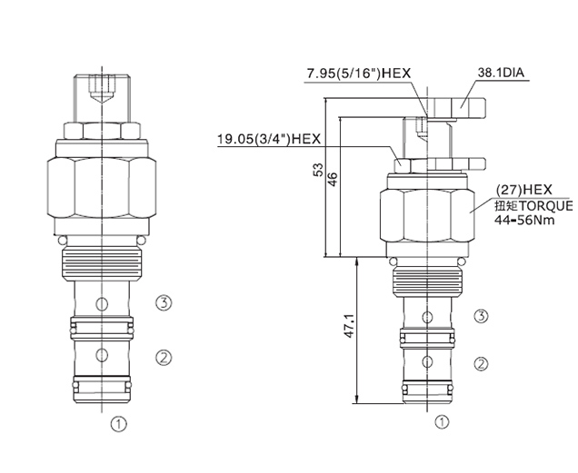
技术特性
工作:
在①口的压力达到弹簧设定的压力时,从②到①减压。弹簧腔内排到③口。
当①口的压力超过预设定的压力时,②口渐渐关闭,①到③开始溢流。
-
技术曲线

-
技术参数
工作压力350Bar流量请查看《压力-流量曲线图》插孔10-3内泄漏from②to③(内泄漏②到③) 82 cc/min. max. at 85% of crack pressure弹簧调压范围3.45-103 bar, preset预设定: 52bar
3.45-207 bar, preset预设定:103bar
3.45-350 bar, preset预设定:175bar温度-40°F to +250°F(-40°C to +120°C)油液Mineral-based fluids with viscosities of 7.4 to 420 cSt.(矿物油粘度)阀块材料钢和球铁允许使用最大压力350bar -
文件下载
PDF文件 -
相关辅件












