展开全部
收起全部
-
技术特性
工作:
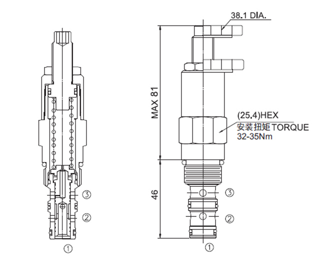
在①口的压力达到弹簧设定的压力时,从②到①减压。弹簧腔内排到③口。
当①口的压力超过预设定的压力10bar 以上时,②口渐渐关闭,①到③开始溢流。
-
技术曲线

-
技术参数
工作压力207Bar流量请查看《压力-流量曲线图》插孔10-3过滤参考《油液清洁度》内泄漏from②to③(内泄漏②到③) 82 cc/min. max. at ΔP 207 bar弹簧调压范围5.5 to 27.6 bar, preset预设定:13.8bar
13.8 to 55.2 bar, preset预设定:27.6bar
20.7 to 103 bar, preset预设定:51.5bar
27.6 to 145 bar, preset预设定:72.5bar温度-40°F to +250°F(-40°C to +120°C)油液Mineral-based fluids with viscosities of 7.4 to 420 cSt.(矿物油粘度)阀块材料6061-T6铝,允许使用最大压力207bar 钢和球铁允许使用最大压力350bar -
文件下载
PDF文件 -
相关辅件












