展开全部
收起全部
-
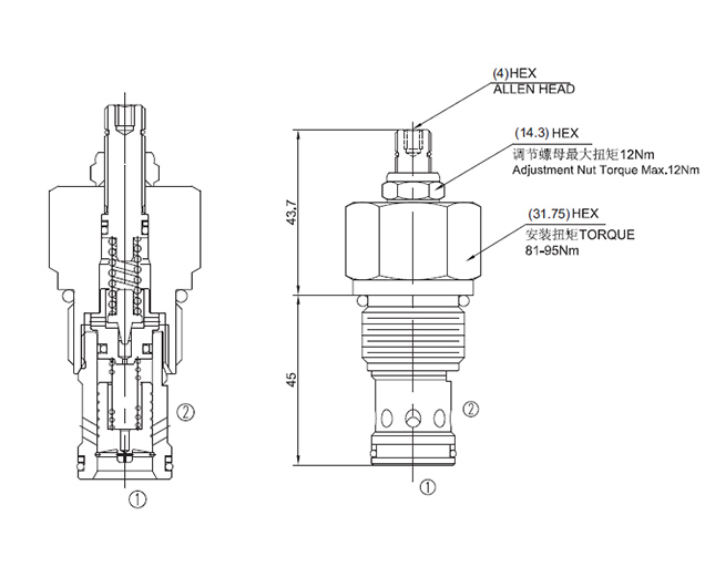
技术特性
工作:
阀体①口和②口不通, 直到①口压力超过设定压力且打开先导阀芯。这样, 先导阀芯
引起主阀芯两端压力差的变化, 压力差达到一定时, ①口和②口互通。
-
技术曲线

-
技术参数
工作压力Port①: 420bar
Port②: 140bar流量请查看《压力-流量曲线图》插孔12-2过滤参考《油液清洁度》内泄漏170 cc/min. max. to 80% of nominal setting闭合压力85% of crack pressure开启压力 (crack pressure at 0.95 lpm /0.25 gpm)弹簧调压范围35 to 140 bar; preset预设定:100 bar
70 to 280 bar; preset预设定:200 bar
140 to 420 bar: preset预设定:210 bar温度-40°F to +250°F(-40°C to +120°C)油液Mineral-based fluids with viscosities of 7.4 to 420 cSt.(矿物油粘度)阀块材料钢和球铁允许使用最大压力350bar -
文件下载
PDF文件 -
相关辅件












