展开全部
收起全部
-
技术特性
工作:
当①口超过③口的压力时,①到②打开;
当③口超过①口的压力时,③到②打开。
一般用于自动开启液压马达制动器:比较液压马达油口压力,压力高的油口与液压制
动器释放端连接。
-
技术曲线

-
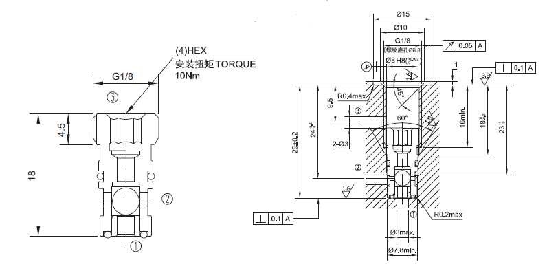
技术参数
工作压力350Bar流量请查看《压力-流量曲线图》插孔见安装尺寸图过滤参考《油液清洁度》内泄漏5 drops/min(滴/分) Max at 350bar.温度-40°F to +250°F(-40°C to +120°C)油液Mineral-based fluids with viscosities of 7.4 to 420 cSt.(矿物油粘度)阀块材料钢和球铁允许使用最大压力350Bar -
文件下载
PDF文件 -
相关辅件











