展开全部
收起全部
-
技术特性
工作:
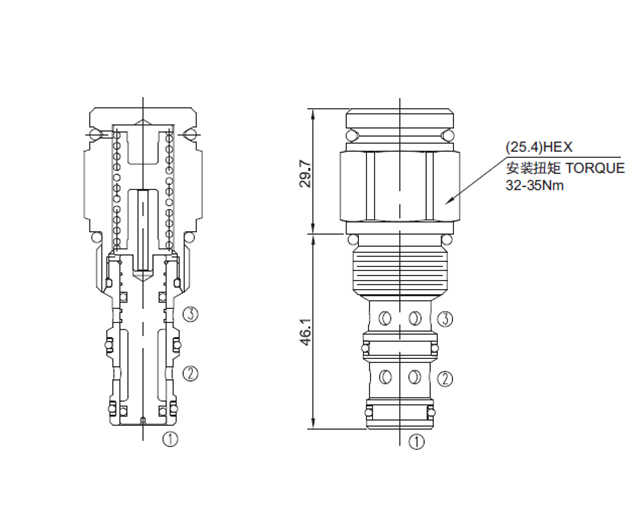
无液控时,此阀截止油液从③向②双向流动。V 是可通大气的弹簧腔,该腔采用O 型
圈密封内部油道,防止油液流入该腔。当远端液控信号到达①时,阀芯移动,②到③
双向接通。由于采用带泄油孔的弹簧室,因此可以在任何油口对插件完全加压,而不
会影响所需的液控压力。
-
技术曲线

-
技术参数
工作压力240Bar流量请查看《压力-流量曲线图》插孔10-3过滤参考《油液清洁度》内泄漏82cc/min.(毫升/分) max. at 240bar先导口压力要求阀芯完全换向(To Full Spool Shift):
采用4.1bar弹簧(for 4.1bar spring): 4.7bar
采用7.6bar弹簧(for 7.6bar spring): 8.6bar温度-40°F to +250°F(-40°C to +120°C)油液Mineral-based fluids with viscosities of 7.4 to 420 cSt.(矿物油粘度)阀块材料6061-T6铝,允许使用最大压力207bar 钢和球铁允许使用最大压力350bar -
文件下载
PDF文件 -
相关辅件












