展开全部
收起全部
-
技术特性
工作:
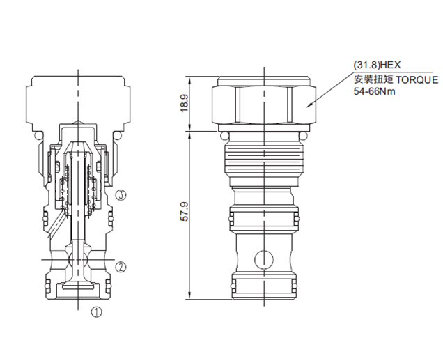
当在②口的压力超过开启压力,②到①开启:在反方向,①到②关闭;
当在③口所需的液压力达到①口负载的1/3 时,阀芯打开,①和②通,液控比为3:1。
-
技术曲线

-
技术参数
工作压力350Bar流量请查看《压力-流量曲线图》插孔12-3S过滤参考《油液清洁度》内泄漏5 drops/min.(滴/分)Max at 350bar.开启压力0.3=0.3bar
2.0=2.0bar
5.1=5.1bar
6.9=6.9bar控制比3:1温度-40°F to +250°F(-40°C to +120°C)油液Mineral-based fluids with viscosities of 7.4 to 420 cSt.(矿物油粘度)阀块材料钢和球铁允许使用最大压力350bar -
文件下载
PDF文件 -
相关辅件











