展开全部
收起全部
-
技术特性
工作:
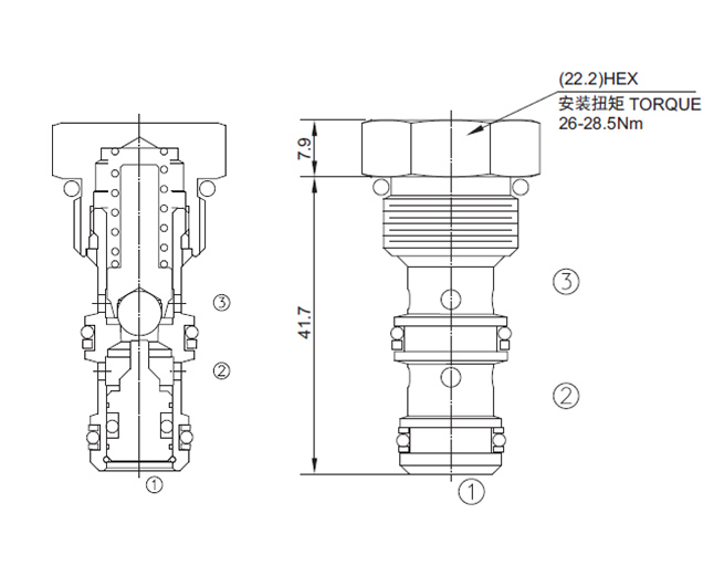
当在②口的压力超过开启压力,②到③开启:在反方向,③到②关闭;
当在①口所需的液压力达到③口负载的1/3 时,阀芯打开,③和②通,液控比为3:1。
-
技术曲线

-
技术参数
工作压力250Bar流量请查看《压力-流量曲线图》插孔08-3过滤参考《油液清洁度》内泄漏③to②: 3 drops/min(滴/分). (0.15 ml/min.) at 250bar开启压力1.7=1.7bar
2.1=2.1bar
5.2=5.2bar
6.2=6.2bar
8.2=8.2bar
18.3=18.3bar控制比3:1温度-40°F to +250°F(-40°C to +120°C)油液Mineral-based fluids with viscosities of 7.4 to 420 cSt.(矿物油粘度)阀块材料6061-T6铝,允许使用最大压力207bar 钢和球铁允许使用最大压力350bar -
文件下载
PDF文件 -
相关辅件












