展开全部
收起全部
-
技术特性
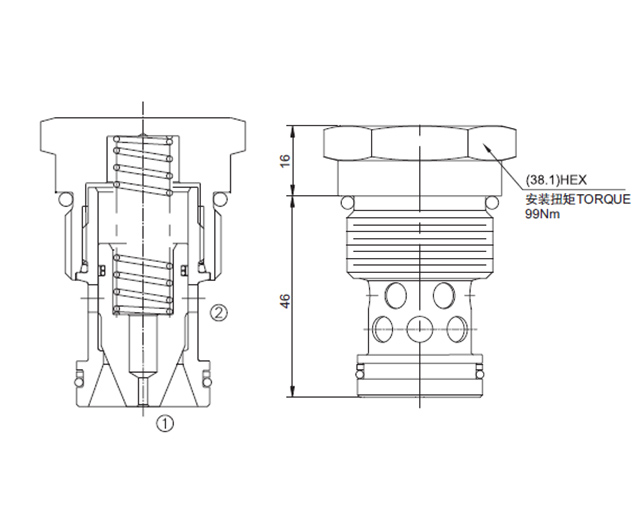
工作:
当在②口的压力超过开启压力,②到①开启;
反方向, ①到②关闭。
-
技术曲线

-
技术参数
工作压力420Bar流量请查看《压力-流量曲线图》插孔16-2过滤参考《油液清洁度》内泄漏2 drops/min(滴/分). max. at 350bar开启压力2.1bar温度-40°F to +250°F(-40°C to +120°C)油液Mineral-based fluids with viscosities of 7.4 to 420 cSt.(矿物油粘度)阀块材料钢和球铁允许使用最大压力350Bar -
文件下载
PDF文件 -
相关辅件












